SBS25SLL、SBC直線導軌 SBS25HL、SBC直線導軌 SBS25HLL、SBC直線導軌" />
| SBS45SLL、SBC直線導軌 | |
| 類 型 | 導軌滑塊滾珠絲桿生產 |
| 型 號 | SBS45SLL |
| 分 類 | |
| 產 地 | |
| 郵 件 | 請 聯(lián) 系 Email:[email protected] |
| 電 話 | +86-25-52217447 86629760 13801591302 13809006760 |
| 聯(lián)系人 | 劉長嶺 13801591302(手機微信支付寶同) |

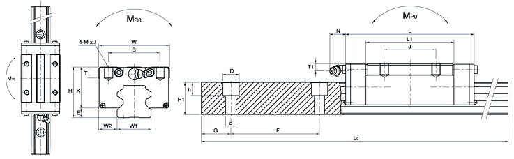
| 型號 | 安裝尺寸 | 滑塊尺寸 | |||||||||||
| 高度 | E | W2 | 寬度 | 長度 | 安裝孔尺寸 | L1 | K | T | 注油嘴 | ||||
| H | W | L | B×J | M×l | 安裝孔 | T1 | N | ||||||
| SBS15SL | 24 | 2.65 | 9.5 | 34 | 58.8 | 26×26 | M4×5 | 38.8 | 21.35 | 6 | ?3.5 | 4 | 5 |
| SBS20SL | 28 | 3.5 | 12 | 44 | 77.2 | 32×32 | M5×7 | 50.8 | 24.5 | 7.5 | M6×0.75 | 5 | 9.8 |
| SBS20SLL | 28 | 3.5 | 12 | 44 | 93.2 | 32×50 | M5×7 | 66.8 | 24.5 | 7.5 | M6×0.75 | 5 | 9.8 |
| SBS25SL | 33 | 5 | 12.5 | 48 | 86.9 | 35×35 | M6×8 | 59.5 | 28 | 8 | M6×0.75 | 5.2 | 9.8 |
| SBS25SLL | 33 | 5 | 12.5 | 48 | 106.4 | 35×50 | M6×8 | 79 | 28 | 8 | M6×0.75 | 5.2 | 9.8 |
| SBS25HL | 36 | 5 | 12.5 | 48 | 86.9 | 35×35 | M6×8 | 59.5 | 31 | 11 | M6×0.75 | 8.2 | 9.8 |
| SBS25HLL | 36 | 5 | 12.5 | 48 | 106.4 | 35×50 | M6×8 | 79 | 31 | 11 | M6×0.75 | 8.2 | 9.8 |
| SBS30SL | 42 | 6.5 | 16 | 60 | 98 | 40×40 | M8×10 | 70.4 | 35.5 | 12 | M6×0.75 | 8.5 | 10.7 |
| SBS30SLL | 42 | 6.5 | 16 | 60 | 120.5 | 40×60 | M8×10 | 92.9 | 35.5 | 12 | M6×0.75 | 8.5 | 10.7 |
| SBS35SL | 48 | 7.5 | 18 | 70 | 109.5 | 50×50 | M8×12 | 80.4 | 40.5 | 15 | M6×0.75 | 9.5 | 10.7 |
| SBS35SLL | 48 | 7.5 | 18 | 70 | 135 | 50×72 | M8×12 | 105.9 | 40.5 | 15 | M6×0.75 | 9.5 | 10.7 |
| SBS45SL | 60 | 7.3 | 20.5 | 86 | 136 | 60×60 | M10×10 | 98 | 52 | 15 | PT 1/8 | 20.5 | 11 |
| SBS45SLL | 60 | 7.3 | 20.5 | 86 | 168 | 60×80 | M10×10 | 130 | 52 | 15 | PT 1/8 | 20.5 | 11 |
| 型號 | 滑軌尺寸 | 負載能力 | 重量 | ||||||||||
| 寬度 | 高度 | 孔間距 | 安裝孔尺寸 | G | 導軌最大 | 動負載 | 靜負載 | 靜態(tài)扭矩 | 滑塊 | 滑軌 | |||
| W1 | H | F | d×D×h | 長度 | C(N) | CO(N) | (kgf·m) | (kg) | (kg/m) | ||||
| LOMAX | MRO | MPO | MYO | ||||||||||
| SBS15SL | 15 | 15 | 60 | 4.5×7.5×5.3 | 20 | 3000 | 8330 | 13426 | 7 | 5 | 5 | 0.2 | 1.45 |
| SBS20SL | 20 | 17.5 | 60 | 6×9.5×8.5 | 20 | 4000 | 14210 | 25088 | 22 | 18 | 18 | 0.33 | 2.2 |
| SBS20SLL | 20 | 17.5 | 60 | 6×9.5×8.5 | 20 | 4000 | 16905 | 36554 | 29 | 32 | 32 | 0.45 | 2.2 |
| SBS25SL | 23 | 21.8 | 60 | 7×11×9 | 20 | 4000 | 20972 | 39200 | 36 | 32 | 31 | 0.56 | 3.1 |
| SBS25SLL | 23 | 21.8 | 60 | 7×11×9 | 20 | 4000 | 24667 | 48069 | 44 | 50 | 49 | 0.73 | 3.1 |
| SBS25HL | 23 | 21.8 | 60 | 7×11×9 | 20 | 4000 | 20972 | 39200 | 36 | 32 | 31 | 0.56 | 3.1 |
| SBS25HLL | 23 | 21.8 | 60 | 7×11×9 | 20 | 4000 | 24667 | 48069 | 44 | 50 | 49 | 0.73 | 3.1 |
| SBS30SL | 28 | 25 | 80 | 9×14×12 | 20 | 4000 | 29204 | 53802 | 60 | 50 | 49 | 0.98 | 4.45 |
| SBS30SLL | 28 | 25 | 80 | 9×14×12 | 20 | 4000 | 35300 | 67904 | 75 | 81 | 80 | 1.28 | 4.45 |
| SBS35SL | 34 | 29 | 80 | 9×14×12 | 20 | 4000 | 38808 | 68698 | 96 | 75 | 73 | 1.63 | 6.4 |
| SBS35SLL | 34 | 29 | 80 | 9×14×12 | 20 | 4000 | 46070 | 90405 | 126 | 133 | 131 | 2.12 | 6.4 |
| SBS45SL | 45 | 38 | 105 | 14×20×17 | 22.5 | 4000 | 61642 | 110662 | 202 | 159 | 157 | 2.96 | 11.25 |
| SBS45SLL | 45 | 38 | 105 | 14×20×17 | 22.5 | 4000 | 75597 | 138552 | 250 | 238 | 235 | 3.75 | 11.25 |
| 產品型號 | 產品分類 | 產品類型 |
|---|---|---|
| BRS35BS | 導軌滑塊滾珠絲桿生產 | 滑塊軸承 |
| BRS35BS | 導軌滑塊滾珠絲桿生產 | 滑塊軸承 |
| BRS35BS | 導軌滑塊滾珠絲桿生產 | 滑塊軸承 |
| BRS35BS | 導軌滑塊滾珠絲桿生產 | 滑塊軸承 |
| BRS35BS | 導軌滑塊滾珠絲桿生產 | 滑塊軸承 |
| BRS35BS | 導軌滑塊滾珠絲桿生產 | 滑塊軸承 |
| BRS35BS | 導軌滑塊滾珠絲桿生產 | 滑塊軸承 |
| BRS35BS | 導軌滑塊滾珠絲桿生產 | 滑塊軸承 |
| BRS35BL | 導軌滑塊滾珠絲桿生產 | 滑塊軸承 |
| BRS35BL | 導軌滑塊滾珠絲桿生產 | 滑塊軸承 |