
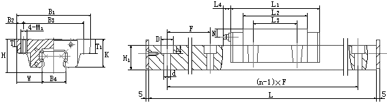
型 號 | 導(dǎo)軌副 | 滑塊尺寸 | ||||||||||
尺寸 | ||||||||||||
H | W | B1 | B2 | B3 | K | T | T1 | M1 | L1 | L2 | L3 | |
GGB16AA | 24 | 15.5 | 47 | 4.5 | 38 | 19.4 | 7 | 11 | M5 | 58 | 40.5 | 30 |
GGB20AA | 30 | 21.5 | 63 | 5 | 53 | 24 | 10 | 10 | M6 | 70 | 50 | 40 |
GGB20AAL | 86 | 66 | ||||||||||
GGB25AA | 37 | 23.5 | 70 | 6.5 | 57 | 30.5 | 12 | 16 | M8 | 79.5 | 59 | 45 |
GGB25AAL | -36 | 98.5 | 78 | |||||||||
GGB30AA | 42 | 31 | 90 | 9 | 72 | 35 | 10 | 18 | M10 | 95.2 | 70 | 52 |
GGB30AAL | 117.2 | 92 | ||||||||||
GGB35AA | 48 | 33 | 100 | 9 | 82 | 38 | 13 | 21 | M10 | 107.8 | 81 | 62 |
GGB35AAL | 131.8 | 105 | ||||||||||
GGB45AA | 62 | 37.5 | 120 | 10 | 100 | 51 | 15 | 25 | M12 | 135 | 102 | 80 |
GGB45AAL | -60 | 163 | 130 | |||||||||
GGB55AA | 70 | 43.5 | 140 | 12 | 116 | 57 | 20 | 29 | M14 | 161 | 118 | 95 |
GGB55AAL | 199 | 156 | ||||||||||
GGB65AA | 90 | 53.5 | 170 | 14 | 142 | 76 | 23 | 37 | M16 | 195 | 147 | 110 |
GGB65AAL | 255 | 207 | ||||||||||
GGB85AA | 110 | 65 | 215 | 15 | 185 | 94 | 30 | 55 | M20 | 243.4 | 179 | 140 |
GGB85AAL | 300.4 | 236 | ||||||||||
導(dǎo)軌尺寸 | 油杯尺寸 | 額定 | 額定 | 額定力矩 | ||||||||
動載 | 靜載 | |||||||||||
d×D×h | B4 | H1 | F | 單根 | L4 | G | N | C | C0 | MA | MB | MC |
最大 | (KN) | (KN) | (N.m) | (N.m) | (N.m) | |||||||
長度Lmax | ||||||||||||
4.5×7.5×5.3 | 16 | 15 | 60 | 500 | 2.5 | Φ4 | 4 | 6.07 | 6.8 | 55.5 | 55.5 | 88.8 |
6×9.5×8.5 | 20 | 18 | 60 | 1400 | 11 | M6 | 6 | 11.6 | 14.5 | 92.4 | 92.4 | 154 |
13.6 | 20.3 | 121.8 | 121.8 | 203 | ||||||||
7×11×9 | 23 | 22 | 60 | 3000 | 11 | M6 | 7.2 | 17.7 | 22.6 | 149.8 | 149.8 | 246 |
20.7 | 34.97 | 244.8 | 244.8 | 402 | ||||||||
9×14×12 | 28 | 26 | 80 | 3000 | 11 | M6 | 7 | 27.6 | 34.4 | 311.3 | 311.3 | 546 |
33.4 | 45.8 | 560 | 560 | 745.2 | ||||||||
9×14×12 | 34 | 29 | 80 | 3000 | 11 | M6 | 8 | 35.1 | 47.2 | 488 | 488 | 790 |
39.96 | 64.85 | 681 | 681 | 1102.45 | ||||||||
14×20×16 | 45 | 38 | 100 | 3000 | 11 | M6 | 12 | 42.5 | 71 | 848 | 848 | 1448 |
-105 | 64.4 | 102.1 | 1345.4 | 1345.4 | 2247.25 | |||||||
16×23×20 | 53 | 44 | 120 | 3000 | 14 | M8×1 | 12 | 79.4 | 101 | 1547 | 1547 | 2580 |
92.2 | 142.5 | 2264.3 | 2264.3 | 3776.25 | ||||||||
18×26×22 | 63 | 53 | 150 | 3000 | 14 | M8×1 | 12 | 115 | 163 | 3237 | 3237 | 4860 |
148 | 224.5 | 4627.5 | 4627.5 | 6945.75 | ||||||||
24×35×28 | 85 | 65 | 180 | 3000 | 14 | M8×1 | 14 | 172.2 | 257.4 | 6076.4 | 6076.4 | 12842 |
202.3 | 327.6 | 9946.3 | 9946.3 | 15410 | ||||||||